Choisissez votre région :
Canada
USA

Industriel

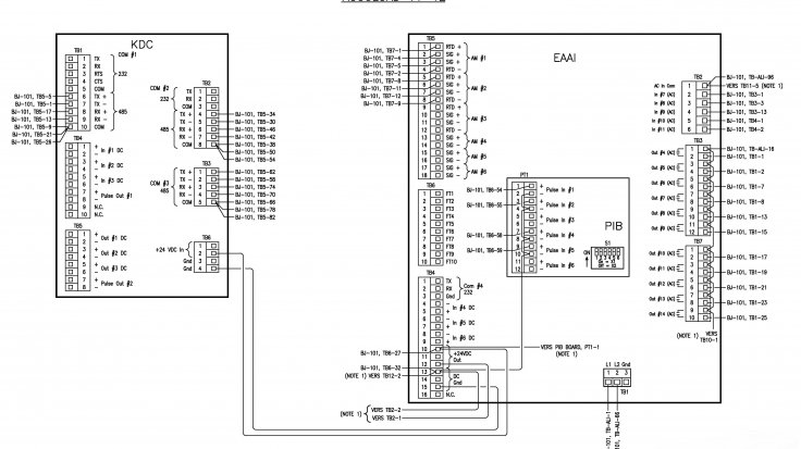
Relevé et dessins « tel que construit » d’une chambre électrique et d’équipements électriques.

Principaux défis

Le client n’avait aucun plan de ses installations électriques. Il fallait donc partir de zéro.

Services rendus

Relevés et dessins TQC de la chambre électrique et des différents panneaux et boîtes de jonction.

Retombées du projet

Plans à jour des installations et des équipements, ce qui facilite la maintenance et les interventions en cas de bris.